
Российские ученые протестировали новый способ формирования сверхвысокомолекулярного полиэтилена с пористой структурой. Метод позволяет создавать в полиэтилене поры нужного размера и воспроизводить сложное строение костной ткани. Результаты эксперимента опубликованы в журнале Materials. Исследование проводится при поддержке Российского научного фонда.
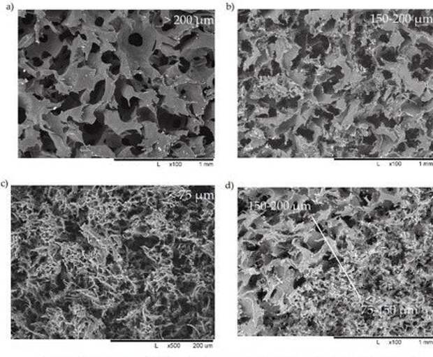
"Сверхвысокомолекулярный полиэтилен – перспективный материал для восстановительной хирургии, – поясняет автор исследования Алексей Салимон, сотрудник Сколковского института науки и технологий. – Например, в комбинации с коллагеном и гидроксиапатитом – минералом, из которого наполовину состоит костная ткань, – из него можно создавать многослойные костно-хрящевые имплантаты". Сегодня сверхвысокомолекулярный полиэтилен (СВМПЭ) уже используется в современных искусственных суставах наряду с металлами и керамикой. Это плотный полимер из очень длинных линейных цепочек полиэтилена, прочный и безопасный для живых тканей – он биоинертен, то есть не вызывает каких-либо реакций организма. Благодаря этим свойствам материал можно использовать для создания и других типов имплантатов, например, искусственных костей. Такой имплантат должен быть пористым, чтобы в него прорастали кровеносные сосуды и мигрировали костные клетки. Однако создать сложные внутренние структуры в сверхвысокомолекулярном полиэтилене непросто. Например, 3D-печать здесь не поможет, поскольку при плавлении СВМПЭ остается слишком вязким. Проблему решает предложенная ранее в НИТУ МИСиС технология, согласно которой полимер смешивают с поваренной солью. Из готового изделия соль удаляют, растворяя ее в обычной воде. В ходе проекта РНФ химики и инженеры впервые изучили структурные особенности пористого материала, полученного таким способом, и доказали, что технология позволяет управлять размером пор. В эксперименте использовали уже готовый полиэтилен в виде порошка. Его и поваренную соль просеяли, разделив по размеру частиц на четыре фракции. Далее порошок полиэтилена и соль смешали в соотношении 1:9 – такое высокое содержание соли было необходимо, чтобы получить полимер с большим объемом пор. Смеси спекали при температуре 180 °C и под давлением формировали из них одинаковые цилиндры. Затем соль удалили, в течение двух суток промывая изделия теплой водой. Ученые протестировали материал на прочность при сжатии и эластичность. Также его изучили с помощью электронного микроскопа и подтвердили, что диаметр пор и толщина стенок между ними зависят от размера исходных частиц. Механические свойства материалов оказались практически одинаковыми независимо от размера пор. Модуль упругости Юнга, который описывает способность материала сопротивляться растяжению, у пористого полимера ожидаемо оказался значительно ниже, чем у плотного. Его значения находятся в диапазоне от 1 до 2,5 мегапаскалей, что соответствует характеристикам мягких тканей, а не костей. В таких условиях клетки кости не могут нормально функционировать, поскольку им требуется более твердая подложка. Но в комбинации с другими материалами из полиэтилена вполне возможно создать искусственную кость, которую постепенно заполнят клетки костной ткани. "Пористый СВМПЭ может быть идеальной основой для сложных экспериментов с клеточными культурами, – подчеркивает Сергей Лермонтов, руководитель проекта РНФ, заведующий лабораторией новых синтетических методов Института физиологически активных веществ РАН. – Клетки, выращенные на плоской поверхности, ограничены в росте и взаимодействиях, а на 3D-основе можно создать близкие к существующим в живом организме условия. Мы уже провели эксперименты по выращиванию на сверхвысокомолекулярном полиэтилене клеток злокачественной опухоли нервной системы человека – нейробластомы".
Свежие комментарии